Zuhause / Nachrichten

Nachrichten

Hersteller von Flyerketten stellen die Vorsichtsmaßnahmen für die Reinigung der Kette vor

Hersteller von Flyerketten stellen die Vorsichtsmaßnahmen für die Reinigung der Kette vor

Die meisten Ketten auf dem Markt bestehen aus Edelstahl, da das Rohmaterial Edelstahl relativ hart ist. Starke Tragfähigkeit, aber nach längerem...

Hersteller von Industrieketten stellen vor, wie man den Kettentyp unterscheidet

Hersteller von Industrieketten stellen vor, wie man den Kettentyp unterscheidet

Die Förderkette eignet sich zum Backen von Farben, Metallbeschichtungen und Produktionsmontagelinien in Fabriken wie Möbelfabriken, Fabriken für...

Hersteller von Silent Chains stellt sinnvolle Messmethoden für Ketten vor

Hersteller von Silent Chains stellt sinnvolle Messmethoden für Ketten vor

Tut Stille Kette Hersteller stellen vor, welche sinnvollen Messmethoden für Ketten es gibt? 1. Um das gesamte Spiel der...

Hersteller von Motorradketten stellt die Reinigungsmethode für Edelstahlketten vor

Hersteller von Motorradketten stellt die Reinigungsmethode für Edelstahlketten vor

Motorradkette Hersteller führt Edelstahlkette als universelle Übertragungsausrüstung ein. Gemäß dem Designschema „Kettenschnalle“ mit h...

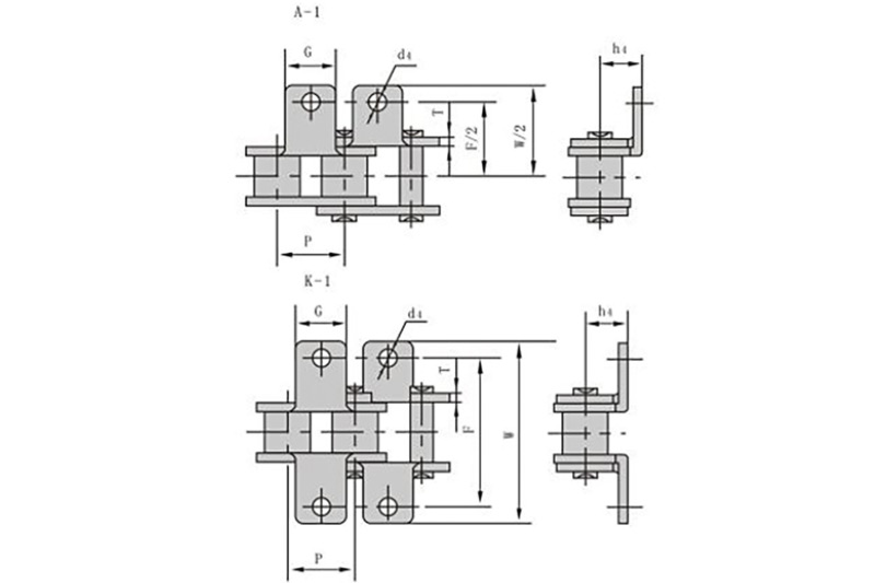
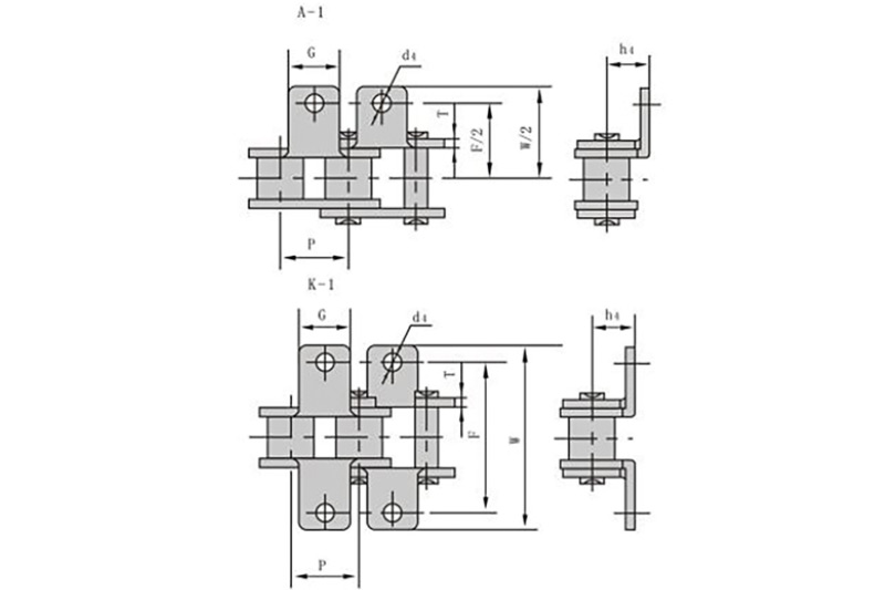
Hersteller von Rollenketten stellt das Prinzip der Zahnprofilgestaltung von Kettenrädern vor

Hersteller von Rollenketten stellt das Prinzip der Zahnprofilgestaltung von Kettenrädern vor

Rollenkette Der Hersteller stellt die Konstruktionsprinzipien des Kettenradzahnprofils vor: 1. Die Form des Zahnprofils des K...

Hersteller von Antriebsketten stellen die praktischen Fähigkeiten von Kettenrädern vor

Hersteller von Antriebsketten stellen die praktischen Fähigkeiten von Kettenrädern vor

Antriebskette Der Hersteller stellt die praktischen Fähigkeiten des Kettenrads vor: 1. Die Festigkeit des Kettenrads sollte ...

Vorsichtsmaßnahmen für die Verwendung der landwirtschaftlichen Kette

Vorsichtsmaßnahmen für die Verwendung der landwirtschaftlichen Kette

Agrarkette Fehler können die Korrektheit der Werkzeugbewegung beeinträchtigen und sind in manchen Fällen der Hauptfaktor für die Bearb...

So reinigen Sie die Übertragungskette richtig

So reinigen Sie die Übertragungskette richtig

Sie können auch heißes Seifenwasser oder Händedesinfektionsmittel verwenden oder eine weggeworfene Zahnbürste oder eine etwas härtere Bürste verwen...

Hersteller von Förderketten stellen vor, wie man die Kette täglich ordnungsgemäß wartet

Hersteller von Förderketten stellen vor, wie man die Kette täglich ordnungsgemäß wartet

Die Hebekette aus Edelstahl kann die Länge der Kette entsprechend der Hubhöhe des Hebeobjekts anpassen. Es ist ein unverzichtbares und wichtiges...

Industrieller Kettenradhersteller stellt die Handhabungstechniken für Kettenkohlenstoffablagerungen vor

Industrieller Kettenradhersteller stellt die Handhabungstechniken für Kettenkohlenstoffablagerungen vor

Bei der Verwendung von Edelstahlketten in mechanischen Geräten bleibt zwangsläufig etwas Schmutz zurück, bei dem es sich zumeist um Kohlenstoffa...

Hersteller von Flyerketten stellen vor, warum die Kette brechen kann

Hersteller von Flyerketten stellen vor, warum die Kette brechen kann

Blattkette Die Hersteller stellten die Gründe und Lösungen vor, die zum Bruch der Kette führten: 1. Im Laufe der Nutzung komm...

Industriekettenhersteller stellt die Eigenschaften hochwertiger Ketten vor

Industriekettenhersteller stellt die Eigenschaften hochwertiger Ketten vor

Industriekette Der Hersteller stellt die Eigenschaften hochwertiger Ketten vor: 1. Gute Zuverlässigkeit und Schutz. Die...