Zuhause / Nachrichten

Nachrichten

So lackieren Sie die Förderkette richtig

So lackieren Sie die Förderkette richtig

Wie man das malt Förderkette richtig: 1. Die mit Conveyor Chain besprühte und abgestaubte Oberfläche sollte sofort grundiert ...

Was sind die Leistungselemente von Industriekettenrädern?

Was sind die Leistungselemente von Industriekettenrädern?

Die Kraft von Industrielles Kettenrad besteht aus zwei Elementen: Geschwindigkeit und Drehmoment; Beides kann über Zahnräder übertrag...

Hersteller von Flyerketten stellt die Inhaltsstoffe von Kettenschmiermitteln vor

Hersteller von Flyerketten stellt die Inhaltsstoffe von Kettenschmiermitteln vor

Es gibt viele Arten von Kettenschmiermitteln auf dem Markt. Blattkette Der Hersteller stellte die Inhaltsstoffe von Kettenschmiermitt...

Hersteller von Industrieketten stellt die Schmierungsform der Kette vor

Hersteller von Industrieketten stellt die Schmierungsform der Kette vor

Die Art der Kettenschmierung variiert je nach Verwendungszweck der Kette. Industriekette Der Hersteller hat eingeführt, dass die meis...

Hersteller von Silent Chains stellen die Vorsichtsmaßnahmen für den Einbau von Kettenrädern vor

Hersteller von Silent Chains stellen die Vorsichtsmaßnahmen für den Einbau von Kettenrädern vor

Stille Kette Der Hersteller stellt vor, worauf beim Einbau des Kettenrads zu achten ist 1. Wählen Sie das richtige Kettenradmod...

Hersteller von Motorradketten stellen die Eigenschaften des Kettenantriebs und der Zahnraddrehung vor

Hersteller von Motorradketten stellen die Eigenschaften des Kettenantriebs und der Zahnraddrehung vor

Motorradkette Der Hersteller stellt die Eigenschaften des Kettenantriebs und der Zahnraddrehung vor: 1. Merkmale des Kettenantr...

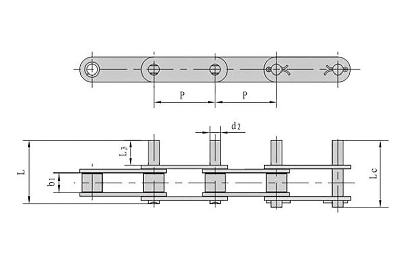
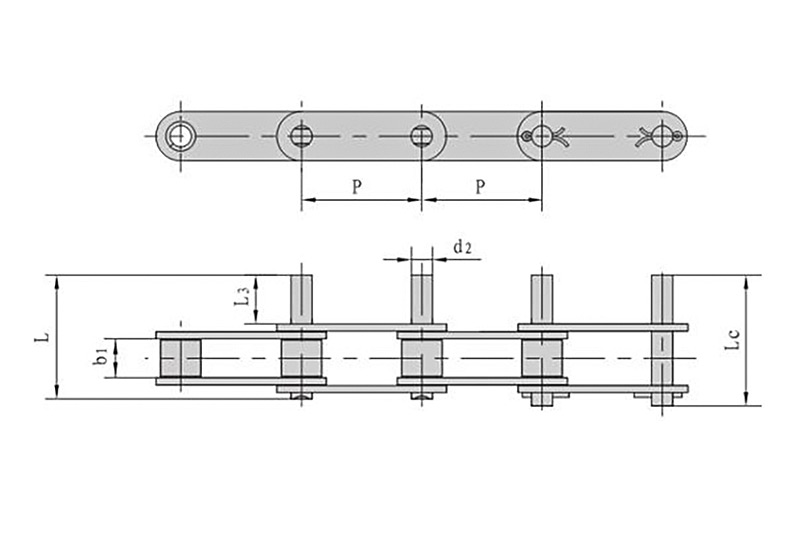
Struktur der Rollenkette

Struktur der Rollenkette

Die Struktur von Rollenkette : Die äußere Kettenplatte und die Bolzenwelle, die innere Kettenplatte und die Hülse sind jewe...

Hersteller von Antriebsketten stellen gängige Wärmebehandlungsmethoden für Hängeketten vor

Hersteller von Antriebsketten stellen gängige Wärmebehandlungsmethoden für Hängeketten vor

Antriebskette Hersteller führen gängige Wärmebehandlungsmethoden für Aufhängungsketten ein: Glühen, Normalisieren, Abschrecken, Anlasse...

4 häufige Ursachen für Korrosion in der landwirtschaftlichen Kette

4 häufige Ursachen für Korrosion in der landwirtschaftlichen Kette

Wenn die Agrarkette bei normalem Gebrauch korrodiert, ist eine Analyse der Gründe erforderlich. 1. Nichtbeachtung der Maßna...

Wie man mit dem Stick-Slip-Phänomen der Übertragungskette richtig umgeht

Wie man mit dem Stick-Slip-Phänomen der Übertragungskette richtig umgeht

Wenn die Übertragungskette Ruckgleiten führt zu häufigen Unterbrechungen der Produktionslinie, verringert die Arbeitseffizienz und fü...

Wartungsprozess der Förderkette

Wartungsprozess der Förderkette

So pflegen Sie es Förderkette : 1. Die Spannung der Edelstahl-Förderkette sollte nicht zu fest oder zu locker sein, da sonst ...

Tipps zur Wartung von Industriekettenrädern

Tipps zur Wartung von Industriekettenrädern

So pflegen Sie es Industrielles Kettenrad : 1. Die Spannung der Kette sollte nicht zu fest oder zu locker sein, da sonst die Ket...